Découvrez la serrure intelligente Aqara U200 : La serrure qui simplifie votre vie !
vendredi 14 mars 2025Présentation de la serrure intelligente Aqara U200
La serrure intelligente Aqara U200 est une solution innovante pour moderniser votre système de verrouillage domestique. Conçue pour s’intégrer parfaitement dans les écosystèmes intelligents, elle offre une grande flexibilité et fonctionnalités de sécurité avancées. Ce modèle permet un accès sécurisé et moderne à votre domicile sans nécessiter de clé physique. Fini les pertes de clés!
Déballage de la serrure intelligente Aqara U200
N’ayant pas de barillet débrayable, je vais également vous présenter le cylindre d’Aqara, qui servira à ouvrir la porte avec une clé classique, avec la serrure et le badge NFC. Ceci permettra d’avoir un tuto complet sur cette serrure intelligente.
Serrure intelligente
La serrure est fournie avec beaucoup d’accessoires, cela permettra de palier à presque toutes les situations. Il y a bien évidemment le clavier, une batterie rechargeable avec son câble USB-C, double face pour fixation de la serrure, adaptateurs de cylindre, 2 façades de finition, sacoche pour batterie externe pour la recharge de la batterie, cales pour la platine et visserie divers.
Vue de face de la serrure connectée avec la face grise et le bouton de verrouillage.
De dos avec la platine qui se fixe sur la porte.
La façade enlevée laissant apparaitre l’emplacement de la batterie et les différents QR code, ainsi que les boutons de réglages.
De plus près avec l’emplacement de la batterie.
Clavier avec lecteur NFC et lecteur d’empreintes.
Vue de dos avec scotch double face pour la fixation.
Il pourra également être fixé avec des vis.
En enlevant la protection, vous avez accès à l’emplacement des piles mais une alimentation filaire en 12v à 24v est possible.
Cylindre
Le cylindre est fourni avec 2 clés et divers accessoires permettant de l’adapter au plus près de celui qui est déjà installé chez vous.
Toutes les parties sont démontables.
Cette partie sera à l’interieur de la maison.
Et l’autre côté pour l’extérieur de la porte pour ouvrir avec la clé si il y a un problème avec la serrure.
Badge NFC
Dans la pochette se trouve simplement le badge NFC pour ouvrir directement la porte avec lui et que vous pouvez accrocher à vos clés.
Caractéristiques
Serrure
- Alimentation électrique :
- Serrure de porte : Batterie Li-ion rechargeable Aqara 7,4V
- Clavier : 4 piles LR3 AAA 1,5V, entrée filaire 12V-24V AC 0,2A 50/60Hz ou 12V-24V DC 0,5A
- Dimensions :
- Dimensions de la serrure de porte : 62,3 × 60,6 × 152,5 mm
- Dimensions du clavier : 42,7 × 33 × 146 mm
- Température de fonctionnement : -15 °C à 66 °C
- Humidité de fonctionnement : 0 à 93% HR, sans condensation
Cylindre
- Dimensions minimales : 70 mm × 17 mm × 33 mm
- Dimensions maximales : 110 mm × 17 mm × 33 mm
- Température de fonctionnement recommandée : -35℃~+65℃
- Épaisseur suggérée de la porte 40-80mm
Badge NFC
- Dimensions : 42 x 26 x 4 millimètres
Installation de la serrure intelligente Aqara U200
Voici la légende du clavier et de la serrure.

L’installation sera différente en fonction de votre serrure actuelle. Vous avez des adaptateurs si chez vous se trouve un bouton rotatif à l’ntérieur de la porte.

Si vous avez un cylindre standard, comme c’est mon cas à l’origine, il suffit de mettre une plaque pour combler l’écart si besoin et serrer la platine directement sur le barillet avec les 3 vis.
Ou encore simplement avec le double face fourni, si cela s’adapte plus à votre situation.
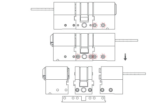
Préparation du Cylindre
Malgré toutes ces possibilités, aucune ne me convienne car mon cylindre n’est pas débrayable, c’est à dire que je ne peux pas ouvrir ma porte avec une clé à l’extérieur quand une clé est déjà présente dedans, à l’intérieur. Mais Aqara à penser à cela et propose leur propre cylindre qui s’adapte à une multitude de barillets différents.
L’avant et l’arrière se démonte en enlevant les vis de fixation en bas et ainsi ajuster ce cylindre au plus juste du votre.
Vous pouvez ajouter des entretoises de chaque côtés pour faire la longueur de votre cylindre.
Une fois le nombre suffisant de chaque côté, ajouter la tige de poussée de la longueur adéquate ainsi que la vis de maintien.
Vue de face avec aération pour la détection de fumée, le bouton avec appuis dessus pour l’autotest ou 3 appuis successifs pour lancer l’appairage, avec le voyant LED autour du bouton.
Remettez les parties de la clé et de la tige et maintenz l’ensemble avec la barre de renfort qui correspond parmi les 15 disponibles.
Visser le tout pour un bon maintient.
Installation
Installez le nouveau cylindre à la place de celui d’origine.
Voici la partie intérieure du cylindre avec les deux trous pour la fixation de la platine de la serrure.
Mettez les 2 vis cruciformes fournies et une cale derrière si besoin.
Maintenant, ajoutez l’adaptateur héxagonal métallique pour pouvoir insérer la serrure intelligent.
Emboitez la serrure et fixer là avec 3 vis noires, 2 en haut et une en bas.
Vous pouvez insérer la batterie dans son emplacement, et là encore c’est très simple, alignez les 2 parties jaunes pour la mettre dans le bon sens.
Je vous mets la photo avec la plaque de finition mais vous la mettrez à la fin de l’intégration.
Là encore je vous mets la photo du clavier installé, mais il est préférable de l’avoir à côté de soi pour l’intégration. Pour ma part, l’ayant collé au double face sur une partie de ma porte, j’ai opté pour l’alimentation par piles.
Intégration de la serrure intelligente Aqara U200
L’intégration de la serrure intelligente U200 dans votre maison intelligente est relativement simple. Elle nécessite un Aqara Hub M3 pour une gestion à distance optimale et pour profiter pleinement des automatisations avec d’autres appareils Aqara. L’application Aqara Home permet de configurer facilement les paramètres et de gérer les accès. Prévoyez quand même environ 20 minutes pour toute la configuration, si comme moi vous avez des mises à jour à installer.
Ouvrez l’application Aqara puis + en haut à droite et Ajouter un accessoire. Ensuite, la serrure intelligente est détectée, cliquez dessus.
Ensuite, scannez le QR code du haut, celui d’Aqara puis elle se connecte. Mettez un nom et la pièce.
Ensuite, modifiez la carte si besoin. Connecter avec matter sinon fermer la croix et paaser à la suite. Cliquez sur Ajouter l’utilisateur.
À chaque fois que vous voulez faire une action il faut activer le clavier en appuyant sur une touche. Saisir un mot de passe à 6 chiffres.
Mettez un nom si vous voulez, et cliquez sur Continuer à ajouter. Maintenant, enregistrer l’empreinte en bougeant votre doigt plusieurs fois jusqu’à la fin.
Maintenant, selectionnez le nom du doigt que vous avez fait et cliquez sur Terminer. Ensuite, sélectionnez Verrouillage de l’UE et cliquez sur Confirmer.
Calibration
La calibration automatique va commencé, ce n’est pas très compliqué, c’est en 5 étapes il suffit de suivre les instructions mais si cela n’a pas fonctionné correctement, je vais vous montré après la méthode manuelle qui est beaucoup plus simple et rapide. Cliquez sur Terminer quand la calibration est finie.
En l’état, vous pouvez seulement vous en servir en local mais si vous voulez la déclencher à distance il vous faudra un Aqara Hub M3, c’est le seul Hub Aqara compatible. Cliquez sur Connexion puis sur Suivant et encore Connexion.
La serrure s’enregistre sur le Hub et cliquez sur Retour. Si vous n’avez le Hub alors cliquez sur Annuler au départ.
L’intégration est terminée, vous pouvez maintenant, fermer ou ouvrir la porte en cliquant sur le bouton en bas Maintenez pour déverrouiller ou verrouiller. En allant sur les 3 points en haut à droite, vous avez accès à tous les paramètres et vous allez voir, il y en a beaucoup.
Calibration Manuelle
Comme je vous ai dit plus haut, si votre calibrage automatique n’a pas fonctionné, cliquez sur Étalonnage dans les paramètres et cliquez sur Étalonnage manuel. Vous avez que deux étapes fermé et ouvrir avec le bouton et validez chaque étapes en cochant exploité et en cliquant sur suivant.
Voilà votre étalonnage est fini, cliquez sur Terminer. Nous allons les différents points pour la page d’accueil. Sur Mot de passe unique, cela servira pour un mot de passe éphémère.
Ensuite, dans Gestion des utilisateurs vous pouvez ajouter différentes personnes selon le profil souhaité. Enfin, dans Journaux, vous avez l’historique des actions sur la serrure.
Maintenant, on va regarder les 3 onglet au dessus. Il y a d’abord le Bluetooth pour voir si il est connecté. Puis, si le hub Aqara est connecté et le dernier pour savoir quel mode on a sélectionné.
Paramètres
Maintenant, on va détaillé chaque paramètres. Le premier dans Voix et son consiste à télécharger la langue Français car jusqu’à présent c’était en Anglais.
Sélectionnez le Français et télécharger là puis cliquez sur Terminer.
Il sera également possible de changer le volume. Le paramètre Verrouillage automatique permet de fermer la porte à clé dès qu’elle se ferme.
Mode silencieux sert à réduire la vitesse de fermeture ou d’ouverture ou faire moins de bruit comme notamment la nuit. Verrouillage de la vérification sert à bloquer le clavier au bout de 10 mauvaises tentatives pendant un temps déterminé. Enfin, le mode de verrouillage de nuit limite les accès.
Tournage auxiliaire permet de fermer ou ouvrir automatiquement la serrure en tournant légèrement le bouton. Type de serrure de porte permet de changer votre modèle. Et Mode de verrouillage permet de limiter certains fonctionnements.
Le Mode ne pas déranger, comme son nom l’indique limitera les annonces sauf en cas d’urgence. Mode d’ouverture normale permet de ne pas verrouillé la porte automatiquement pendant un temps donné. Enfin, Matter permet d’intégrer la serrure intelligente dans d’autres systèmes.
Ajout utilisateur
Vous pouvez voir chaque rôle à quoi cela correspond et nombre d’accès par utilisateur. Pour ajouter un nouvel utilisateur par exemple général dans mon exemple, cliquez sur Ajouter. Puis, mettez un nom et ajouter lui ce que vous voulez entre empreinte, mot de passe ou NFC.
Pour l’empreinte et le mot de passe cela se passe comme la configuration initiale et pour intégrer le badge NFC Aqara, cliquez sur Ajouter et présentez le sur la zone NFC du clavier et il est possible de lui donner un nom et cliquez sur Terminer.
Enfin, revenez sur la page d’accueil et vous pouvez fermer ou ouvrir la serrure en cliquant sur le cadenas de la vignette.
Conclusion
La serrure intelligente Aqara U200 est une solution robuste et polyvalente pour améliorer la sécurité et la commodité de votre domicile. Avec ses multiples méthodes de déverrouillage et son intégration fluide avec les écosystèmes intelligents, elle constitue un excellent choix pour ceux qui cherchent à moderniser leur système de verrouillage.
Résumé
📌 Point information : cet article contient des liens affiliés, c’est à dire que je touche une commission sur les achats que vous faites en passant par mes liens, mais sans augmenter le prix à payer pour le produit. Cela permet de rembourser un peu, les coûts du site et les futurs concours. Merci à tous pour votre aide.










































































